短波紅外鏡頭LMZ20750M3P-SW介紹與應用
2023-10-08 15:15:43
深圳紅陽信息科技有限公司
89
人類眼睛的可見光波長范圍為380nm—780nm,波長由長到短分為紅、橙、黃、綠、青、藍、紫光。短波紅外指波長在1000-3000nm之間的波段,肉眼無法識別這些光譜??仆叨滩t外鏡頭LMZ20750M3P-SW專門為短波紅外應用而設計,900~1700nm增透鍍膜,配套工業相機可以實現普通鏡頭難以執行或無法執行的大量應用,讓用戶能夠看見超越肉眼所見。
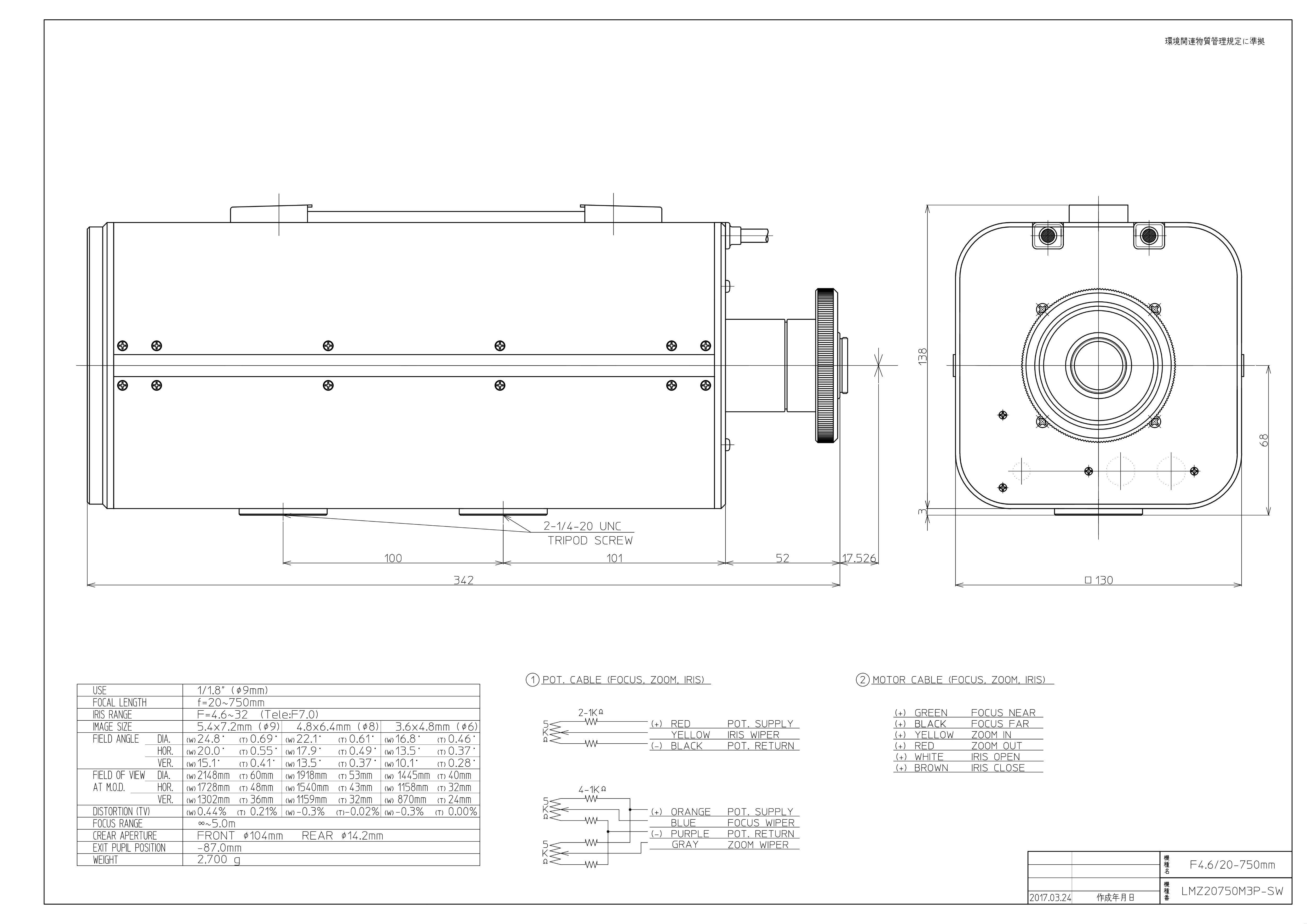
科瓦短波紅外鏡頭LMZ20750M3P-SW參數表

短波紅外的應用
基于短波紅外技術的應用可采集出對比度較強的高分辨率圖像,其成像效果接近于可見光圖像,但又不受周邊環境光弱的影響,并且成像畫面擁有很高的識別度,在現今的工業領域有廣泛的應用。
1.電子元件檢測
在電子產品領域短波紅外主要應用于有半導體材料的品質檢測,硅錠和晶片成品的缺陷或裂紋檢測,晶元切割過程中的激光精確對準等。
2.礦藏的發掘

根據礦物含量,不同成分會吸收光波的量,從而形成不同的反射率。短波紅外可探測含有 l-OH、Mg-OH、Fe-OH、Si-OH、碳酸鹽、銨以及硫酸鹽等離子組的物質,使精準識別礦物成為可能。
3.高溫物體監測

越高溫的物體在短波紅外的成像中會以越趨于白色呈現,該應用可以用于有溫度的物體檢測等,并且特別適用于夜晚。
4.水果損傷檢測

短波紅外還應用在農產品特征檢測中,在農產品內部人眼看不到的瘀傷,可以通過短波紅外穿透表皮探測到,篩選出優質的產品,提高產品的附加值。
標簽:
長焦鏡頭
